新聞動態

產品型號
產品類型
技術應用
中逸光DP系列模塊電源的應用指南_ACDC模塊電源_模塊電源制造商
來源:ZYGKJ作者:ZYG發布時間:2018-05-03 09:51:38
- DP06/10-400SXX是專為電力客戶設計的一款模塊電源,具有體積最小、功率密度最高、輸入高和輸入電壓寬、極低的空載損耗(僅為60mW)、應用最為方便等特點,深受客戶的喜愛。下面就此系列產品在不同的環境下應用做如下說明。
- 2相輸入,輸入電壓范圍寬至:85-520VAC(100-720VDC)的應用。

參數值選型(僅供參考,具體需要看整機實驗是否符合要求而定)
|
FUSE(必加) |
L1 |
CX1,2(必加) |
NF |
MOV(必加) |
DB(必加) |
C1,2(必加) |
CY(必加) |
|
保險電阻:15Ω/2W |
1.0mH,0.2A-0.5A |
安規電容:104K/310VAC |
NF為共模電感,電感值在30mH,電流0.2A-0.5A. |
MOV為壓電阻,推薦值為14D821K |
1A/1000V橋堆 |
10uF-15uF/400V |
安規Y電容:222K/400VC |
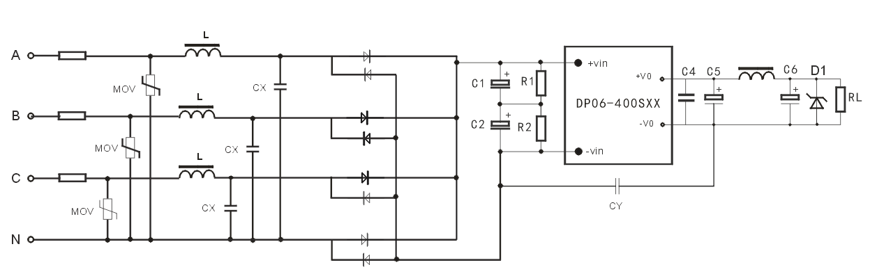
- 3相電壓輸入,此電路的特點是任意2線輸入均可工作。
參數值選型(僅供參考,具體需要看整機實驗是否符合要求而定)
|
R(必加) |
L(必加) |
CX(必加) |
MOV(必加) |
D(必加) |
C1,2(必加) |
CY(必加) |
|
保險電阻:15Ω/2W |
1.0mH/0.2A |
安規X電容:104K/310VAC |
MOV為壓電阻,推薦值為14D821K |
1A/1000V |
10uF-15uF/400V |
安規Y電容:222K/400VC |

